Главная > Подшипники> Роликовые > Радиально-упорные>T4CB100

T4CB100 — Однорядный конический роликовый подшипник, импортное производство по ISO стандарту, размер 100x145x24 номер основного исполнения .
Производится брендами: CX, ISO, KOYO, NKE, NSK, ZVL.
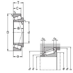
Конический роликоподшипник некоторых метрических размеров по стандарту ISO 355-1977
B = однокомпонентное ребристое внутреннее кольцо.
Цена от:4 402 р.
Цена на подшипник зависит от:
Габаритные размеры
Размеры и геометрические характеристики
Нагрузка и ресурс
Защита
Коэффициенты для расчета
Присоединительные размеры
Конструкция и исполнение
Однорядный конический роликовый подшипник 4T-T4CB100 (NTN)
Подшипник роликовый радиально-упорный JP10049A/10 (CX, ISO)
Однорядный конический роликовый подшипник JP10049/JP10010A (TIMKEN)
Однорядный конический роликовый подшипник JP10049/JP10010 (Fersa, TIMKEN)
Конический роликоподшипник JP10049A/JP10010A (TIMKEN)
Подшипник роликовый радиально-упорный JP10049/10 (CX, ISO)