Главная > Подшипники> Роликовые > Радиально-упорные>T2ED070/QCLNVB061

T2ED070/QCLNVB061 — Конический роликоподшипник, импортное производство по ISO стандарту, размер 70x130x43 номер основного исполнения .
Производитель: SKF.
Конический роликоподшипник некоторых метрических размеров по стандарту ISO 355-1977
D = профиль наружного кольца, усовершенствованный, с увеличенной зоной несущей нагрузки и оптимизированными краевыми переходами.
Цена по запросу
Цена на подшипник зависит от:
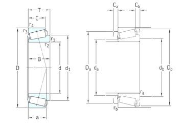
Габаритные размеры
Размеры и геометрические характеристики
Нагрузка и ресурс
Защита
Коэффициенты для расчета
Присоединительные размеры
Конструкция и исполнение
Однорядный конический роликовый подшипник JF7049A/JF7010 (Fersa, TIMKEN)
Подшипник роликовый радиально-упорный JF7049/10 (CX, ISO)
Подшипник роликовый радиально-упорный JF7049A/10 (CX, ISO)
Однорядный конический роликовый подшипник JF7049/JF7010 (Fersa, TIMKEN)
Однорядный конический роликовый подшипник T2ED070 (CX, ISO, KOYO, NKE)
Однорядный конический роликовый подшипник 538971 (FAG)