Главная > Подшипники> Роликовые > Радиально-упорные>T2ED050/Q

T2ED050/Q — Однорядный конический роликовый подшипник, импортное производство по ISO стандарту, размер 50x100x36 номер основного исполнения .
Производитель: SKF.
Конический роликоподшипник некоторых метрических размеров по стандарту ISO 355-1977
D = профиль наружного кольца, усовершенствованный, с увеличенной зоной несущей нагрузки и оптимизированными краевыми переходами.
Цена по запросу
Цена на подшипник зависит от:
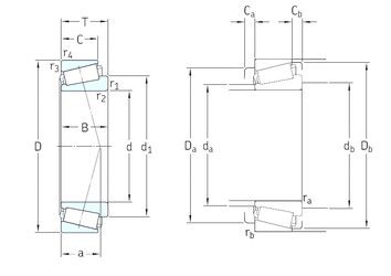
Габаритные размеры
Размеры и геометрические характеристики
Нагрузка и ресурс
Защита
Коэффициенты для расчета
Присоединительные размеры
Конструкция и исполнение
Конический роликоподшипник 4T-T2ED050 (NTN)
Подшипник роликовый радиально-упорный JF5049/JF5010 (Fersa)
Однорядный конический роликовый подшипник T2ED050 (CX, FAG, ISO, KOYO, NKE)