Главная > Подшипники> Роликовые > Радиально-упорные>T2DD065

T2DD065 — Подшипник роликовый конический, импортное производство по ISO стандарту, размер 65x110x31 номер основного исполнения .
Производитель: FAG.
Конический роликоподшипник некоторых метрических размеров по стандарту ISO 355-1977
D = профиль наружного кольца, усовершенствованный, с увеличенной зоной несущей нагрузки и оптимизированными краевыми переходами.
Цена по запросу
Цена на подшипник зависит от:
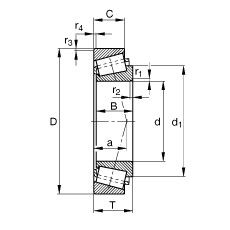
Габаритные размеры
Размеры и геометрические характеристики
Нагрузка и ресурс
Коэффициенты для расчета
Присоединительные размеры
Подшипник роликовый радиально-упорный JD6549/10 (CX, ISO)
Подшипник роликовый радиально-упорный JD6549/JD6510 (Fersa, TIMKEN)
Конический роликоподшипник T2DD065/Q (SKF)