Главная > Подшипники> Роликовые > Радиально-упорные>T2DD065/Q

T2DD065/Q — Конический роликоподшипник, импортное производство по ISO стандарту, размер 65x110x31 номер основного исполнения .
Производитель: SKF.
Конический роликоподшипник некоторых метрических размеров по стандарту ISO 355-1977
D = профиль наружного кольца, усовершенствованный, с увеличенной зоной несущей нагрузки и оптимизированными краевыми переходами.
Цена по запросу
Цена на подшипник зависит от:
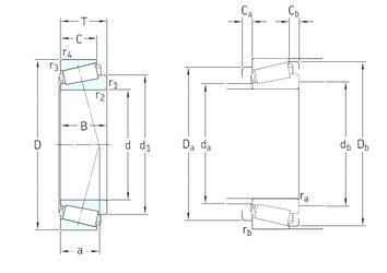
Габаритные размеры
Размеры и геометрические характеристики
Нагрузка и ресурс
Защита
Коэффициенты для расчета
Присоединительные размеры
Конструкция и исполнение
Подшипник роликовый радиально-упорный JD6549/10 (CX, ISO)
Подшипник роликовый радиально-упорный JD6549/JD6510 (Fersa, TIMKEN)
Подшипник роликовый конический T2DD065 (FAG)