Главная > Подшипники> Шариковые> Радиальные>SR156ZZY05

SR156ZZY05 — импортное производство по ISO стандарту, размер 4x7x2 номер основного исполнения SR156.
Производитель: AST.
ZZ = Два металлических экрана.
Цена по запросу
Цена на подшипник зависит от:
| Обозначение | Модификация |
|---|---|
| SR156 | Основное конструктивное исполнение. |
| SR156-TT | T = Механически обработанный сепаратор из текстолита, центрируемый по телам качения. |
| SR156-2Z | 2Z = Металлические шайбы с каждой стороны подшипника. |
| SR156-2TS | S = смазочный паз и три отверстия в наружном кольце подшипника. |
| SR156ZZA03 | ZZ = Два металлических экрана. |
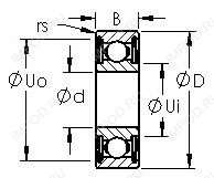
Габаритные размеры
Размеры и геометрические характеристики
Нагрузка и ресурс
Присоединительные размеры
Конструкция и исполнение
Прочие характеристики
Подшипник шариковый радиальный однорядный 1000004
Подшипник шариковый радиальный однорядный с упорным бортом на наружном кольце 1840004
Подшипник шариковый радиальный 64
Подшипник шариковый радиальный 860064
Подшипник шариковый радиальный 617/4 ZZ (CX, ISO)
Подшипник однорядный шариковый радиальный 617/4 (CX, ISO)