Главная > Подшипники> Шариковые> Радиальные>SR156

SR156 — Подшипник шариковый из нержавеющей стали, импортное производство по ISO стандарту, размер 4x7x2 основное исполнение.
Производится брендами: AST, ZEN.
Цена по запросу
Цена на подшипник зависит от:
| Обозначение | Модификация |
|---|---|
| SR156-TT | T = Механически обработанный сепаратор из текстолита, центрируемый по телам качения. |
| SR156-2Z | 2Z = Металлические шайбы с каждой стороны подшипника. |
| SR156-2TS | S = смазочный паз и три отверстия в наружном кольце подшипника. |
| SR156ZZY05 | ZZ = Два металлических экрана. |
| SR156ZZA03 | ZZ = Два металлических экрана. |
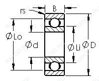
Габаритные размеры
Размеры и геометрические характеристики
Нагрузка и ресурс
Защита
Присоединительные размеры
Конструкция и исполнение
Прочие характеристики
Подшипник шариковый радиальный однорядный 1000004
Подшипник шариковый радиальный однорядный с упорным бортом на наружном кольце 1840004
Подшипник шариковый радиальный 64
Подшипник шариковый радиальный 860064
Подшипник шариковый радиальный 617/4 ZZ (CX, ISO)
Подшипник однорядный шариковый радиальный 617/4 (CX, ISO)