Главная > Подшипники> Шариковые> Радиальные>SMR83ZZ

SMR83ZZ — Подшипник шариковый из нержавеющей стали, импортное производство по ISO стандарту, размер 3x8x3 номер основного исполнения SMR83.
Производитель: AST.
ZZ = Два металлических экрана.
Цена от:45 р.
Цена на подшипник зависит от:
Габаритные размеры
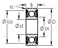
Размеры и геометрические характеристики
Нагрузка и ресурс
Присоединительные размеры
Конструкция и исполнение
Прочие характеристики
Подшипник шариковый радиальный однорядный 1000093 ZZ
Подшипник шариковый радиальный однорядный 1000093 ZZ (4ММ)
Подшипник шариковый радиальный однорядный с двумя защитными шайбами 04-80063 ЮУТС21
Подшипник шариковый радиальный однорядный 1000093 Е
Подшипник шариковый радиальный однорядный 1000093
Подшипник шариковый радиальный однорядный с двумя защитными шайбами 1080093