Главная > Подшипники> Шариковые> Радиальные>SMR83

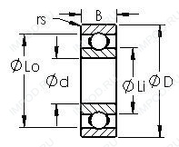
SMR83 — Подшипник шариковый из нержавеющей стали, импортное производство по ISO стандарту, размер 3x8x2 основное исполнение.
Производится брендами: AST, ZEN.
Цена от:45 р.
Цена на подшипник зависит от:
Габаритные размеры
Размеры и геометрические характеристики
Нагрузка и ресурс
Защита
Присоединительные размеры
Конструкция и исполнение
Прочие характеристики
Радиальный шарикоподшипник 693/1BZ (KOYO)
Радиальный шарикоподшипник BC3-8 (NTN)
Радиальный шарикоподшипник FL683 (NTN)
Радиальный шарикоподшипник SMF83 (ZEN)
Радиальный шарикоподшипник WBB1-8703 (SKF)
Радиальный шарикоподшипник WBB1-8703 R (SKF)