Главная > Подшипники> Шариковые> Радиальные>SMR117ZZ

SMR117ZZ — Подшипник шариковый из нержавеющей стали, импортное производство по ISO стандарту, размер 7x11x3 номер основного исполнения SMR117.
Производитель: AST.
ZZ = Два металлических экрана.
Цена по запросу
Цена на подшипник зависит от:
| Обозначение | Модификация |
|---|---|
| SMR117 | Основное конструктивное исполнение. |
| SMR117-2Z | 2Z = Металлические шайбы с каждой стороны подшипника. |
| SMR117-TT | T = Механически обработанный сепаратор из текстолита, центрируемый по телам качения. |
| SMR117-2RS | Резиновые уплотнения с каждой стороны подшипника. |
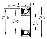
Габаритные размеры
Размеры и геометрические характеристики
Нагрузка и ресурс
Присоединительные размеры
Конструкция и исполнение
Прочие характеристики
Подшипник шариковый радиальный 617/7 ZZ (CX, ISO)
Подшипник однорядный шариковый радиальный 677ZZ (NTN)
Подшипник однорядный шариковый радиальный F-677 (NTN)
Радиальный шарикоподшипник F-WA677ZZ (NTN)
Подшипник шариковый радиальный FL617/7 ZZ (CX, ISO)
Подшипник однорядный шариковый радиальный L-1170ZZ (NIS, NMB)