Главная > Подшипники> Шариковые> Радиальные>SMR117

SMR117 — Подшипник шариковый из нержавеющей стали, импортное производство по ISO стандарту, размер 7x11x2 основное исполнение.
Производится брендами: AST, ZEN.
Цена по запросу
Цена на подшипник зависит от:
| Обозначение | Модификация |
|---|---|
| SMR117ZZ | ZZ = Два металлических экрана. |
| SMR117-TT | T = Механически обработанный сепаратор из текстолита, центрируемый по телам качения. |
| SMR117-2Z | 2Z = Металлические шайбы с каждой стороны подшипника. |
| SMR117-2RS | Резиновые уплотнения с каждой стороны подшипника. |
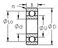
Габаритные размеры
Размеры и геометрические характеристики
Нагрузка и ресурс
Защита
Присоединительные размеры
Конструкция и исполнение
Прочие характеристики
Подшипник шариковый радиальный однорядный 1000007
Подшипник шариковый радиальный однорядный с упорным бортом на наружном кольце 1840007
Подшипник шариковый радиальный 65-1000007 ЮТ
Подшипник шариковый радиальный 617/7 (CX, ISO)
Подшипник шариковый радиальный 617/7-2RS (CX, ISO)
Подшипник однорядный шариковый радиальный 677 (NTN)