Главная > Подшипники> Шариковые> Радиальные>SMR105ZZ

SMR105ZZ — Подшипник шариковый из нержавеющей стали, импортное производство по ISO стандарту, размер 5x10x4 номер основного исполнения SMR105.
Производитель: AST.
ZZ = Два металлических экрана.
Цена от:43 р.
Цена на подшипник зависит от:
| Обозначение | Модификация |
|---|---|
| SMR105 | Основное конструктивное исполнение. |
| SMR105-2Z | 2Z = Металлические шайбы с каждой стороны подшипника. |
| SMR105-2RS | Резиновые уплотнения с каждой стороны подшипника. |
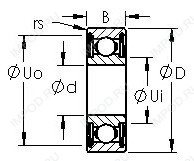
Габаритные размеры
Размеры и геометрические характеристики
Нагрузка и ресурс
Присоединительные размеры
Конструкция и исполнение
Прочие характеристики
Радиальный шарикоподшипник BC5-10ZZ (NTN)
Радиальный шарикоподшипник L-1050SS (NMB)
Подшипник однорядный шариковый радиальный L-1050ZZ (NIS, NMB)
Подшипник однорядный шариковый радиальный LF-1050ZZ (NIS, NMB)
Радиальный шарикоподшипник SMF105-2RS (AST, ZEN)
Радиальный шарикоподшипник SMF105-2Z (ZEN)