Главная > Подшипники> Шариковые> Радиальные>SMR105

SMR105 — Радиальный шарикоподшипник, импортное производство по ISO стандарту, размер 5x10x3 основное исполнение.
Производится брендами: AST, ZEN.
Цена от:43 р.
Цена на подшипник зависит от:
| Обозначение | Модификация |
|---|---|
| SMR105ZZ | ZZ = Два металлических экрана. |
| SMR105-2Z | 2Z = Металлические шайбы с каждой стороны подшипника. |
| SMR105-2RS | Резиновые уплотнения с каждой стороны подшипника. |
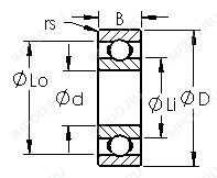
Габаритные размеры
Размеры и геометрические характеристики
Нагрузка и ресурс
Защита
Присоединительные размеры
Конструкция и исполнение
Прочие характеристики
Подшипник шариковый радиальный 22-80085 ЮТС21
Подшипник шариковый радиальный 80085
Радиальный шарикоподшипник BC5-10 (NTN)
Радиальный шарикоподшипник F-FLB-10 (NTN)
Радиальный шарикоподшипник FLB-10 (NTN)
Радиальный шарикоподшипник FLBC5-9ZZ (NTN)