Главная > Подшипники>SL182210

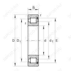
SL182210 — Однорядный цилиндрический роликовый подшипник, импортное производство по ISO стандарту основное исполнение.
Производится брендами: INA, ISO, NBS.
Цена от:2 057 р.
Цена на подшипник зависит от:
Габаритные размеры
Нагрузка и ресурс
Подшипник шариковый упорный 188810 (ГПЗ-20)
Радиальный шарикоподшипник M6210ZZ (KOYO)
Радиальный шарикоподшипник M6210 (KOYO)
Подшипник для корпуса MUC210 (NACHI)
Подшипник для корпуса NA210 (FYH, KOYO)
Подшипник для корпуса NA210-32 (FYH, KOYO)