Главная > Подшипники> Шарнирные скольжения>SIR20ES

SIR20ES — Сферический шарнирный подшипник, импортное производство по ISO стандарту номер основного исполнения .
Производитель: LS.
E = Увеличенная грузоподъемность. S = кольцевой канал с двумя отверстиями для смазки во внутреннем и наружном кольце.
Цена от:2 067 р.
Цена на подшипник зависит от:
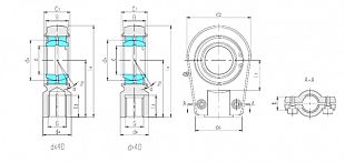
Габаритные размеры
Размеры и геометрические характеристики
Нагрузка и ресурс
Защита
Присоединительные размеры
Другие размеры
Сферический шарнирный подшипник SAL20C (SKF)
Сферический шарнирный подшипник SC20ES (SKF)
Радиальный сферический подшипник скольжения SIJ20ES (SKF)
Сферический шарнирный подшипник SIL20C (SKF)
Сферический шарнирный подшипник SIL20ES (SKF)
Радиальный сферический подшипник скольжения SILJ20ES (SKF)