Главная > Подшипники> Шарнирные скольжения>SIL20C

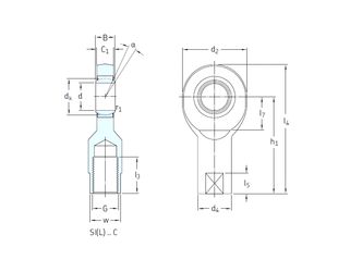
SIL20C — Сферический шарнирный подшипник, импортное производство по ISO стандарту номер основного исполнения .
Производитель: SKF.
С = Необслуживаемые концы стержней, внутренняя резьба.
Цена по запросу
Цена на подшипник зависит от:
Габаритные размеры
Размеры и геометрические характеристики
Нагрузка и ресурс
Защита
Присоединительные размеры
Сферический шарнирный подшипник SAL20C (SKF)
Сферический шарнирный подшипник SC20ES (SKF)
Радиальный сферический подшипник скольжения SIJ20ES (SKF)
Сферический шарнирный подшипник SIL20ES (SKF)
Радиальный сферический подшипник скольжения SILJ20ES (SKF)
Сферический шарнирный подшипник SIR20ES (LS)