Главная > Подшипники> Шарнирные скольжения>SIQ20ES

SIQ20ES — Радиальный сферический подшипник скольжения, импортное производство по ISO стандарту номер основного исполнения .
Производитель: LS.
E = Увеличенная грузоподъемность. S = кольцевой канал с двумя отверстиями для смазки во внутреннем и наружном кольце.
Цена по запросу
Цена на подшипник зависит от:
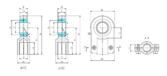
Габаритные размеры
Размеры и геометрические характеристики
Нагрузка и ресурс
Защита
Присоединительные размеры
Другие размеры
Сферический шарнирный подшипник SAL20C (SKF)
Сферический шарнирный подшипник SC20ES (SKF)
Радиальный сферический подшипник скольжения SIJ20ES (SKF)
Сферический шарнирный подшипник SIL20C (SKF)
Сферический шарнирный подшипник SIL20ES (SKF)
Радиальный сферический подшипник скольжения SILJ20ES (SKF)