Главная > Подшипники> Линейные>SCW 12

SCW 12 — импортное производство по ISO стандарту номер основного исполнения SCW12.
Производитель: NBS.
Цена по запросу
Цена на подшипник зависит от:
| Обозначение | Модификация |
|---|---|
| SCW 12-UU | Резиновое уплотнение на каждой стороне подшипника. |
| SCW 12 AS | Шайбы AS упорного игольчатого подшипника, соответствующие для AXK и K811, к DIN 5405-3 / ISO 303 |
| SCW 12-UU AS | Шайбы AS упорного игольчатого подшипника, соответствующие для AXK и K811, к DIN 5405-3 / ISO 303 |
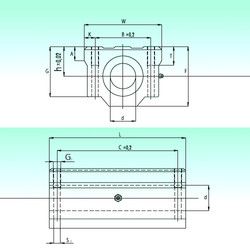
Габаритные размеры
Размеры и геометрические характеристики
Нагрузка и ресурс
Защита
Присоединительные размеры
Другие размеры
Сферический подшипник скольжения SC 12 (NBS)