Главная > Подшипники> Линейные>SC 12-UU AS

SC 12-UU AS — импортное производство по ISO стандарту номер основного исполнения SC12.
Производитель: NBS.
Шайбы AS упорного игольчатого подшипника, соответствующие для AXK и K811, к DIN 5405-3 / ISO 303
Цена по запросу
Цена на подшипник зависит от:
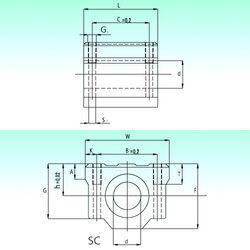
Габаритные размеры
Размеры и геометрические характеристики
Защита
Присоединительные размеры
Другие размеры