Главная > Подшипники> Шарнирные скольжения>SAR1-60

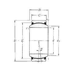
SAR1-60 — Радиальный сферический подшипник скольжения, импортное производство по ISO стандарту, размер 60x90x44 номер основного исполнения .
Производитель: NTN.
Цена по запросу
Цена на подшипник зависит от:
Габаритные размеры
Размеры и геометрические характеристики
Нагрузка и ресурс
Защита
Подшипник роликовый радиальный с витыми роликами 35212
Сферический подшипник скольжения GE60AW (ELGES, INA, ISO)
Подшипник шарнирный 1-ЕШСП60КИ
Подшипник скольжения сферический НШСЛ60 (ГПЗ-3)
Подшипник скольжения сферический НШЛТ60 Ю1Т (ГПЗ-3)
Подшипник скольжения сферический ШЛТ60 УТ2 (ГПЗ-3)