Главная > Подшипники> Шарнирные скольжения>SAR1-45

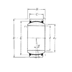
SAR1-45 — Радиальный сферический подшипник скольжения, импортное производство по ISO стандарту, размер 45x68x32 номер основного исполнения .
Производитель: NTN.
Цена по запросу
Цена на подшипник зависит от:
Габаритные размеры
Размеры и геометрические характеристики
Нагрузка и ресурс
Защита
Сферический подшипник скольжения GE45 ES-2RS (AST, CRAFT, ELGES, FBJ, IKO)
Подшипник шарнирный 1-ЕШСП45КИ
Подшипник шарнирный ЕШЛТ45
Подшипник скольжения сферический ЕШЛТ45 Ю1Т (ГПЗ-3)
Подшипник комбинированный 5-564808 Л (ГПЗ-3)
Подшипник шариковый радиальный самоцентрирующийся GE 45 BBL (ISB)