Главная > Подшипники> Комбинированные>RAX 560

RAX 560 — Подшипник комбинированный, импортное производство по ISO стандарту номер основного исполнения RAX560.
Производится брендами: KOYO, TIMKEN.
Цена по запросу
Цена на подшипник зависит от:
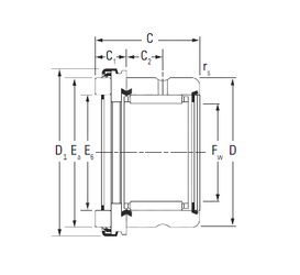
Габаритные размеры
Размеры и геометрические характеристики
Нагрузка и ресурс
Защита
Присоединительные размеры
Конструкция и исполнение
Другие размеры
Подшипник игольчатый радиальный KT 607236 (IKO)
Роликовый игольчатый подшипник RAX 460 (KOYO, TIMKEN)
Роликовый игольчатый подшипник NAXK60 (KOYO)