Главная > Подшипники> Комбинированные>NAXK60

NAXK60 — Роликовый игольчатый подшипник, импортное производство по ISO стандарту основное исполнение.
Производитель: KOYO.
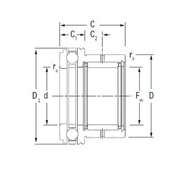
Упорный шариковый подшипник с механически обработанным наружным кольцом и радиальный игольчатый роликоподшипник без внутреннего кольца.
К = Коническая посадка, конусность 1:12.
Цена по запросу
Цена на подшипник зависит от:
Габаритные размеры
Размеры и геометрические характеристики
Нагрузка и ресурс
Защита
Присоединительные размеры
Конструкция и исполнение
Подшипник игольчатый радиальный KT 607236 (IKO)
Подшипник комбинированный RAX 560 (KOYO, TIMKEN)
Роликовый игольчатый подшипник RAX 460 (KOYO, TIMKEN)