Главная > Подшипники> Шариковые> Радиальные>RAE30-NPPB

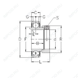
RAE30-NPPB — Подшипник для корпуса, импортное производство по ISO стандарту номер основного исполнения .
Производится брендами: INA, NKE, PFI.
NPP = Манжетные уплотнения с обеих сторон (тип P = две оцинкованные шайбы из листовой стали с промежуточной частью NBR, с манжетным уплотнением с аксиальной предварительной нагрузкой). B = Подшипник со сферическим наружным кольцом.
Цена от:417 р.
Цена на подшипник зависит от:
Габаритные размеры
Нагрузка и ресурс
Подшипник однорядный шариковый радиальный M6206 (KOYO)
Подшипник однорядный шариковый радиальный M6206ZZ (KOYO)
Подшипник для корпуса MUC206 (NACHI)
Подшипник для корпуса NA206-19 (FYH, KOYO)
Подшипник для корпуса NA206-20 (FYH, KOYO)
Радиальный шарикоподшипник NA206-3L (PFI)