Главная > Подшипники> Шариковые> Радиальные>RA103-NPP

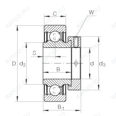
RA103-NPP — Подшипник для корпуса, импортное производство по ISO стандарту номер основного исполнения .
Производитель: INA.
N = Канавка под стопорное кольцо в наружном кольце. P = Литой сепаратор из стеклонаполненного полиамида 6,6, центрируемый по телам качения.
Цена по запросу
Цена на подшипник зависит от:
Габаритные размеры
Подшипник однорядный шариковый радиальный M6206 (KOYO)
Подшипник однорядный шариковый радиальный M6206ZZ (KOYO)
Подшипник для корпуса MUC206 (NACHI)
Подшипник для корпуса NA206-19 (FYH, KOYO)
Подшипник для корпуса NA206-20 (FYH, KOYO)
Радиальный шарикоподшипник NA206-3L (PFI)