Главная > Подшипники>R480-1A

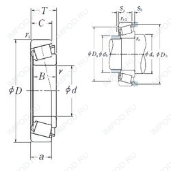
R480-1A — Цилиндрический роликоподшипник, импортное производство по ISO стандарту, размер 480x730x150 номер основного исполнения .
Производитель: NSK.
A = внутренняя модификация конструкции.
Цена по запросу
Цена на подшипник зависит от:
Габаритные размеры
Размеры и геометрические характеристики
Нагрузка и ресурс
Защита
Коэффициенты для расчета
Присоединительные размеры
Конструкция и исполнение
Подшипник упорно-радиальный роликовый сферический одинарный 9039396
Подшипник роликовый упорно-радиальный сферический 29396-E-MB (FAG)
Подшипник роликовый упорно-радиальный 29396 M (CX, ISB, ISO)
Осевой радиально-упорный роликоподшипник 29396E (NACHI)
Осевой радиально-упорный роликоподшипник 29396-E1-MB (INA)