Главная > Подшипники> Роликовые > Упорные>29396-E-MB

29396-E-MB — Подшипник роликовый упорно-радиальный сферический, импортное производство по ISO стандарту, размер 480x730x150 номер основного исполнения 29396.
Производитель: FAG.
E = Увеличенная грузоподъемность. М = Механически обработанный латунный сепаратор, центрируемый по роликам.
Цена от:1 122 510 р.
Цена на подшипник зависит от:
| Обозначение | Модификация |
|---|---|
| 29396 | Основное конструктивное исполнение. |
| 29396E | Е = Увеличенная грузоподъемность. |
| 29396 M | M = массивный латунный сепаратор. |
| 29396-E1-MB | MB = Обработанный латунный сепаратор с внутренним кольцом. |
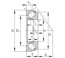
Габаритные размеры
Размеры и геометрические характеристики
Нагрузка и ресурс
Присоединительные размеры
Прочие характеристики
Подшипник упорно-радиальный роликовый сферический одинарный 9039396
Цилиндрический роликоподшипник R480-1A (NSK)