Главная > Подшипники> Шариковые> Радиальные>R24ZZ

R24ZZ — Подшипник однорядный шариковый радиальный, импортное производство по ISO стандарту номер основного исполнения R24.
Производится брендами: AST, CYSD.
ZZ = Два металлических экрана.
Цена от:177 р.
Цена на подшипник зависит от:
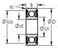
Габаритные размеры
Размеры и геометрические характеристики
Нагрузка и ресурс