Главная > Подшипники> Шариковые> Радиальные>R24

R24 — Подшипник однорядный шариковый радиальный, импортное производство по ISO стандарту основное исполнение.
Производится брендами: AST, CYSD, FBJ, NSK.
Цена от:177 р.
Цена на подшипник зависит от:
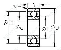
Габаритные размеры
Размеры и геометрические характеристики
Нагрузка и ресурс