Главная > Качения>QJ332 N2.MPA

QJ332 N2.MPA — Подшипник шариковый с четырехточечным контактом, импортное производство по ISO стандарту, размер 160x340x68 номер основного исполнения QJ332.
Производится брендами: FAG, NKE.
Шарикоподшипник с четырехточечным контактом.
N2 = Два установочных паза (выемки) на расстоянии 180 градусов в одной боковой поверхности наружного кольца или шайбе корпуса. MPA = Обработанная латунная клетка оконного типа, Руководство по внешнему кольцу (корпус).
Цена от:40 937 р.
Цена на подшипник зависит от:
| Обозначение | Модификация |
|---|---|
| QJ332 | Основное конструктивное исполнение. |
| QJ 332 N2 M | Шарикоподшипник с четырехточечным контактом. N2 = Два установочных паза (выемки) на расстоянии 180 градусов в одной боковой поверхности наружного кольца или шайбе корпуса. |
| QJ 332 N2MA | Шарикоподшипник с четырехточечным контактом. MA = Механически обработанный латунный сепаратор, центрируемый по наружному кольцу. |
| QJ332 N2MA.C3 | Шарикоподшипник с четырехточечным контактом. MA = Механически обработанный латунный сепаратор наружным кольцом. C3 = Радиальный внутренний зазор подшипника больше, чем обычно. |
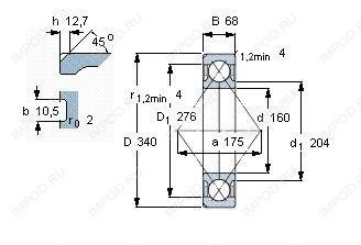
Габаритные размеры
Размеры и геометрические характеристики
Нагрузка и ресурс
Защита
Присоединительные размеры
Конструкция и исполнение
Подшипник шариковый однорядный радиально-упорный 7332 (FAG, KOYO, NACHI, NTN)
Цилиндрический роликоподшипник NJ332 (FAG, ISB, ISO, KOYO, NACHI)
Однорядный цилиндрический роликовый подшипник NU332 (FAG, ISB, ISO, KOYO, NACHI)
Подшипник шариковый однорядный радиально-упорный 7332 B.MP.UA (FAG)
Подшипник шариковый однорядный радиально-упорный 7332 B.MP.UO (FAG)
Подшипник однорядный шариковый радиальный 6332 M (FAG, ISB, NKE, SKF, SNR)