Главная > Подшипники> Шариковые> Радиально-упорные>QJ1018

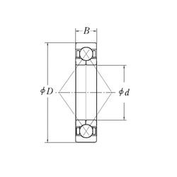
QJ1018 — Подшипник шариковый радиально-упорный, импортное производство по ISO стандарту, размер 90x140x24 основное исполнение.
Производится брендами: CX, CYSD, ISO, NSK.
Шарикоподшипник с четырехточечным контактом.
Цена по запросу
Цена на подшипник зависит от:
Габаритные размеры
Размеры и геометрические характеристики
Нагрузка и ресурс
Защита
Присоединительные размеры
Конструкция и исполнение
Однорядный цилиндрический роликовый подшипник NU1018 (CX, CYSD, FBJ, IBC, ISB)
Подшипник однорядный шариковый радиальный 6018 (AST, CRAFT, CX, CYSD, FAG)
Подшипник шариковый однорядный радиально-упорный B7018 C.T.P4S.UL (FAG)
Однорядный цилиндрический роликовый подшипник NU1018 M1.C3 (IBC)