Главная > Подшипники> Шариковые> Радиально-упорные>QJ 307 MA

QJ 307 MA — Подшипник шариковый с четырехточечным контактом, импортное производство по ISO стандарту, размер 35x80x21 номер основного исполнения 307.
Производится брендами: SKF, SNR.
Шарикоподшипник с четырехточечным контактом.
MA = Механически обработанный латунный сепаратор, центрируемый по наружному кольцу.
Цена от:2 119 р.
Цена на подшипник зависит от:
| Обозначение | Модификация |
|---|---|
| Q307 | |
| N307 | Однорядный цилиндрический роликоподшипник. Внутреннее кольцо подшипника имеет два борта, наружное — без бортов. |
| NH307 | |
| NU307 | Однорядный цилиндрический роликоподшипник. Наружное кольцо подшипника имеет два борта, а внутреннее кольцо бортов не имеет. |
| EX307 | |
| NJ307 | Однорядный цилиндрический роликоподшипник. Наружное кольцо имеет два борта, наружное — один борт. |
| UC307 | |
| QJ307 | Шарикоподшипник с четырехточечным контактом. |
| UK307 | |
| W307PP | P = Литой сепаратор из стеклонаполненного полиамида 6,6, центрируемый по телам качения. |
| NU307F | Однорядный цилиндрический роликоподшипник. Наружное кольцо подшипника имеет два борта, а внутреннее кольцо бортов не имеет. Механически обработанный сепаратор из стали или чугуна, центрируемый по телам качения. |
| NU307R | Однорядный цилиндрический роликоподшипник. Наружное кольцо подшипника имеет два борта, а внутреннее кольцо бортов не имеет. R = Наружное кольцо с фланцем . |
| N307 E | Однорядный цилиндрический роликоподшипник. Внутреннее кольцо подшипника имеет два борта, наружное — без бортов. Е = Увеличенная грузоподъемность. |
| BL 307 | |
| N307FM | Однорядный цилиндрический роликоподшипник. Внутреннее кольцо подшипника имеет два борта, наружное — без бортов. F = Механически обработанный сепаратор из стали или чугуна, центрируемый по телам качения. M = Механически обработанный латунный сепаратор, центрируемый по телам качения. |
| NF 307 | Внутреннем кольце с двойным фланцем, внешнее с одним. |
| NFV307 | |
| RUS307 | |
| NJ307F | Однорядный цилиндрический роликоподшипник. Наружное кольцо имеет два борта, наружное — один борт. Механически обработанный сепаратор из стали или чугуна, центрируемый по телам качения. |
| NJ307R | Однорядный цилиндрический роликоподшипник. Наружное кольцо имеет два борта, наружное — один борт. R = Наружное кольцо с фланцем . |
| NJK307 | |
| NUP307 | Однорядный цилиндрический роликоподшипник. Наружное кольцо имеет два борта, внутреннее — один борт и одно свободное фланцевое кольцо. Основные размеры по DIN 5412-1, относится к подтипу фиксированные подшипники, разъемные, с сепаратором. |
| NP 307 | |
| NU307 E | Однорядный цилиндрический роликоподшипник. Наружное кольцо подшипника имеет два борта, а внутреннее кольцо бортов не имеет. Е = Увеличенная грузоподъемность. |
| W307KLL | K = LL = (Сегментное уплотнение, код 2RU) = Лабиринтные уплотнения с обеих сторон (уплотнение L-типа - все части уплотнения L-типа покрыты цинком с всех сторон для улучшения защиты от коррозии - без трения уплотнения ). |
| BXRE307 | Е = Увеличенная грузоподъемность. |
| NU307EM | Однорядный цилиндрический роликоподшипник. Наружное кольцо подшипника имеет два борта, а внутреннее кольцо бортов не имеет. E = Увеличенная грузоподъемность. М = Механически обработанный латунный сепаратор, центрируемый по роликам. |
| NU307EJ | Однорядный цилиндрический роликоподшипник. Наружное кольцо подшипника имеет два борта, а внутреннее кольцо бортов не имеет. EJ = стальной сепаратор. |
| NU307EG | Однорядный цилиндрический роликоподшипник. Наружное кольцо подшипника имеет два борта, а внутреннее кольцо бортов не имеет. G = Однорядный радиально-упорный шарикоподшипник для универсального парного монтажа. Два подшипника, установленные по 0-образной или Х-образной схеме, будут иметь определенный осевой зазор в домонтажном состоянии. |
| NF307 E | Внутреннем кольце с двойным фланцем, внешнее с одним. Е = Увеличенная грузоподъемность. |
| NUP307E | Однорядный цилиндрический роликоподшипник. Наружное кольцо имеет два борта, внутреннее — один борт и одно свободное фланцевое кольцо. Основные размеры по DIN 5412-1, относится к подтипу фиксированные подшипники, разъемные, с сепаратором. Е = Увеличенная грузоподъемность. |
| NH307 E | Е = Увеличенная грузоподъемность. |
| EX307G2 | G2 = установка с нормальным преднатягом. |
| NJ307 E | Однорядный цилиндрический роликоподшипник. Наружное кольцо имеет два борта, наружное — один борт. Е = Увеличенная грузоподъемность. |
| NUP307R | Однорядный цилиндрический роликоподшипник. Наружное кольцо имеет два борта, внутреннее — один борт и одно свободное фланцевое кольцо. Основные размеры по DIN 5412-1, относится к подтипу фиксированные подшипники, разъемные, с сепаратором. R = Наружное кольцо с фланцем . |
| UC307L3 | L = массивный сепаратор из лёгкого сплава. |
| NJ307EG | Однорядный цилиндрический роликоподшипник. Наружное кольцо имеет два борта, наружное — один борт. G = Однорядный радиально-упорный шарикоподшипник для универсального парного монтажа. Два подшипника, установленные по 0-образной или Х-образной схеме, будут иметь определенный осевой зазор в домонтажном состоянии. |
| RUS307E | Е = Увеличенная грузоподъемность. |
| NJ307EM | Однорядный цилиндрический роликоподшипник. Наружное кольцо имеет два борта, наружное — один борт. E = Увеличенная грузоподъемность. М = Механически обработанный латунный сепаратор, центрируемый по роликам. |
| UK307D1 | D1 = (Смазка сегмента, код W33) = Смазочная канавка и три отверстия в наружном кольце подшипника. Начиная с = D320 Суффикс D1 не используется. |
| UK307+H | H = высокая, узкая каретка для двухрядного шарикоподшипника и направляющей в сборе. |
| NP307 E | Е = Увеличенная грузоподъемность. |
| UK307L3 | L = массивный сепаратор из лёгкого сплава. |
| N307EG15 | Однорядный цилиндрический роликоподшипник. Внутреннее кольцо подшипника имеет два борта, наружное — без бортов. E = Увеличенная грузоподъемность. G15 = Формованная литьевая клетка из армированного стекловолокном полиамида 6,6, с вращающимся элементом по центру. |
| BL 307 Z | Металлический экран с одной стороны. |
| CS307LLU | LLU = Резиновые уплотнения на каждой стороне подшипника. |
| EX307-20 | |
| EX307-22 | |
| NUP307EM | Однорядный цилиндрический роликоподшипник. Наружное кольцо имеет два борта, внутреннее — один борт и одно свободное фланцевое кольцо. Основные размеры по DIN 5412-1, относится к подтипу фиксированные подшипники, разъемные, с сепаратором. E = Увеличенная грузоподъемность. М = Механически обработанный латунный сепаратор, центрируемый по роликам. |
| EX307-23 |
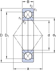
Габаритные размеры
Размеры и геометрические характеристики
Нагрузка и ресурс
Защита
Коэффициенты для расчета
Присоединительные размеры
Конструкция и исполнение
Подшипник роликовый сферический 20307 (FAG, ISO, SIGMA)
Подшипник роликовый сферический 21307 (ISB, SKF)
Подшипник шариковый радиальный сферический двухрядный с цилиндрическим отверстием внутреннего кольца 1307
Подшипник роликовый радиальный с короткими цилиндрическими роликами с безбортовым наружным кольцом и двумя запорными шайбами 102307
Подшипник шариковый радиальный однорядный с канавкой на наружном кольце 50307
Подшипник шариковый радиальный однорядный с одной защитной шайбой 60307