Главная > Подшипники> Шариковые> Радиально-упорные>QJ 1024

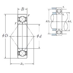
QJ 1024 — Подшипник шариковый радиально-упорный, импортное производство по ISO стандарту, размер 120x180x28 номер основного исполнения QJ1024.
Производится брендами: CX, CYSD, ISO, NSK.
Шарикоподшипник с четырехточечным контактом.
Цена по запросу
Цена на подшипник зависит от:
Габаритные размеры
Размеры и геометрические характеристики
Нагрузка и ресурс
Защита
Присоединительные размеры
Конструкция и исполнение
Однорядный цилиндрический роликовый подшипник NU1024 (CX, CYSD, ISB, ISO, KOYO)
Подшипник однорядный шариковый радиальный 6024 (CRAFT, CX, CYSD, FAG, ISB)
Подшипник шариковый радиально-упорный 7024 (CYSD, IBC, KOYO, NACHI, NTN)
Подшипник шариковый однорядный радиально-упорный B7024 C.T.P4S.UL (FAG)
Однорядный цилиндрический роликовый подшипник NU1024 M (AST, NKE)