Главная > Подшипники> Шарнирные скольжения>POS 5EC

POS 5EC — Сферический шарнирный подшипник, импортное производство по ISO стандарту, размер 5x74x8 номер основного исполнения .
Производитель: IKO.
ЕС = эксцентриковый фиксатор воротника с утопленным внутренним кольцом на одной стороне.
Цена по запросу
Цена на подшипник зависит от:
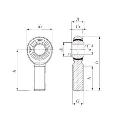
Габаритные размеры
Размеры и геометрические характеристики
Нагрузка и ресурс
Защита
Присоединительные размеры
Другие размеры
Сферический шарнирный подшипник PHSA 5 (IKO)
Сферический шарнирный подшипник PHS 5 (IKO, NIS)
Подшипник скольжения сферический PHS 5EC (IKO)
Сферический шарнирный подшипник POS 5 (IKO, NIS)
Подшипник скольжения сферический SA 05 (CX, ISO)