Главная > Подшипники> Роликовые > Радиальные>NUP2264

NUP2264 — Цилиндрический роликоподшипник, импортное производство по ISO стандарту, размер 320x580x150 номер основного исполнения 2264.
Производится брендами: CX, ISO, NTN.
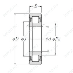
Однорядный цилиндрический роликоподшипник. Наружное кольцо имеет два борта, внутреннее — один борт и одно свободное фланцевое кольцо. Основные размеры по DIN 5412-1, относится к подтипу фиксированные подшипники, разъемные, с сепаратором.
Цена по запросу
Цена на подшипник зависит от:
| Обозначение | Модификация |
|---|---|
| N2264 | Однорядный цилиндрический роликоподшипник. Внутреннее кольцо подшипника имеет два борта, наружное — без бортов. |
| NH2264 | |
| NU2264 | Однорядный цилиндрический роликоподшипник. Наружное кольцо подшипника имеет два борта, а внутреннее кольцо бортов не имеет. |
| NJ 2264 | Однорядный цилиндрический роликоподшипник. Наружное кольцо имеет два борта, наружное — один борт. |
| NU2264-EX-M1 | Однорядный цилиндрический роликоподшипник. Наружное кольцо подшипника имеет два борта, а внутреннее кольцо бортов не имеет. X = Внешние размеры, соответствующие международным стандартам. |
| NU2264-EX-TB-M1 | Однорядный цилиндрический роликоподшипник. Наружное кольцо подшипника имеет два борта, а внутреннее кольцо бортов не имеет. B = 40 градусов угол контакта. M = обработанный латунный сепаратор, расположенныйна элементах качения. |
Габаритные размеры
Размеры и геометрические характеристики
Нагрузка и ресурс
Защита
Конструкция и исполнение
Подшипник роликовый сферический 22264 (FAG, ISB)
Подшипник роликовый радиальный сферический двухрядный с бортиками на внутреннем кольце с цилиндрическим отверстием внутреннего кольца 3564
Подшипник роликовый сферический 22264 K.MB (FAG)
Подшипник роликовый сферический 22264 K.MB.C3 (FAG)
Подшипник роликовый сферический 22264 MB (FAG)
Подшипник роликовый сферический 22264 MB.C3 (FAG)