Главная > Подшипники> Шариковые> Упорные>NUP 2309 ECML

NUP 2309 ECML — Однорядный цилиндрический роликоподшипник, импортное производство по ISO стандарту, размер 100x45x36 номер основного исполнения NUP2309.
Производитель: SKF.
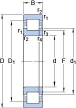
Однорядный цилиндрический роликоподшипник. Наружное кольцо имеет два борта, внутреннее — один борт и одно свободное фланцевое кольцо. Основные размеры по DIN 5412-1, относится к подтипу фиксированные подшипники, разъемные, с сепаратором.
EC = Оптимизированная внутренняя конструкция, включающая больше и / или более крупные ролики и с модифицированным контактом ролика / концевого фланца. ML = монолитная латунная клетка оконного типа, центрированная по центру или наружному кольцу.
Цена от:1 320 р.
Цена на подшипник зависит от:
Габаритные размеры
Размеры и геометрические характеристики
Нагрузка и ресурс
Коэффициенты для расчета
Присоединительные размеры
Прочие характеристики
Подшипник однорядный шариковый радиальный 62309-2RS1 (SKF)
Подшипник роликовый сферический 22309 EK (SKF)
Подшипник роликовый сферический 22309 E/VA405 (SKF)
Однорядный цилиндрический роликоподшипник NJ 2309 ECML (SKF)
Однорядный цилиндрический роликовый подшипник NJ 2309 ECP (SKF)
Однорядный цилиндрический роликовый подшипник NU 2309 ECP (SKF)