Главная > Подшипники> Шариковые> Упорные>NJ 2309 ECP

NJ 2309 ECP — Однорядный цилиндрический роликовый подшипник, импортное производство по ISO стандарту, размер 100x45x36 номер основного исполнения NJ2309.
Производитель: SKF.
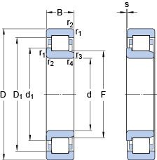
Однорядный цилиндрический роликоподшипник. Наружное кольцо имеет два борта, наружное — один борт.
ЕС = эксцентриковый фиксатор воротника с утопленным внутренним кольцом на одной стороне.
Цена от:1 936 р.
Цена на подшипник зависит от:
| Обозначение | Модификация |
|---|---|
| NJ 2309 ECML | Однорядный цилиндрический роликоподшипник. Наружное кольцо имеет два борта, наружное — один борт. EC = Оптимизированная внутренняя конструкция, включающая больше и / или более крупные ролики и с модифицированным контактом ролика / концевого фланца. ML = монолитная латунная клетка оконного типа, центрированная по центру или наружному кольцу. |
Габаритные размеры
Размеры и геометрические характеристики
Нагрузка и ресурс
Коэффициенты для расчета
Присоединительные размеры
Прочие характеристики
Подшипник однорядный шариковый радиальный 62309-2RS1 (SKF)
Подшипник роликовый сферический 22309 EK (SKF)
Подшипник роликовый сферический 22309 E/VA405 (SKF)
Однорядный цилиндрический роликовый подшипник NU 2309 ECP (SKF)
Однорядный цилиндрический роликоподшипник NU 2309 ECML (SKF)
Однорядный цилиндрический роликоподшипник NUP 2309 ECML (SKF)