Главная > Подшипники> Шариковые> Упорные>NUP 2208 ECJ

NUP 2208 ECJ — Однорядный цилиндрический роликоподшипник, импортное производство по ISO стандарту, размер 80x40x23 номер основного исполнения NUP2208.
Производитель: SKF.
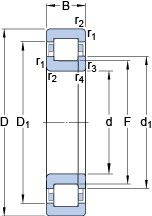
Однорядный цилиндрический роликоподшипник. Наружное кольцо имеет два борта, внутреннее — один борт и одно свободное фланцевое кольцо. Основные размеры по DIN 5412-1, относится к подтипу фиксированные подшипники, разъемные, с сепаратором.
EC = Оптимизированная внутренняя конструкция, включающая больше и / или более крупные ролики и с модифицированным контактом ролика / концевого фланца. J = Прессованная стальная клетка, по центру ролика, не закаленная.
Цена от:1 022 р.
Цена на подшипник зависит от:
| Обозначение | Модификация |
|---|---|
| NUP2208 ECP | Однорядный цилиндрический роликоподшипник. Наружное кольцо имеет два борта, внутреннее — один борт и одно свободное фланцевое кольцо. Основные размеры по DIN 5412-1, относится к подтипу фиксированные подшипники, разъемные, с сепаратором. ЕС = эксцентриковый фиксатор воротника с утопленным внутренним кольцом на одной стороне. |
Габаритные размеры
Размеры и геометрические характеристики
Нагрузка и ресурс
Коэффициенты для расчета
Присоединительные размеры
Прочие характеристики
Однорядный цилиндрический роликовый подшипник NJ2208 ECJ (FAG, SKF)
Однорядный цилиндрический роликовый подшипник NJ2208 ECP (FAG, SKF)
Однорядный цилиндрический роликовый подшипник NU2208 ECP (NKE, SKF)
Тороидальный роликовый подшипник CARB C 2208 V (SKF)
Тороидальный роликовый подшипник CARB C 2208 TN9 (SKF)
Подшипник роликовый сферический 22208 EK (SKF)