Главная > Подшипники> Шариковые> Упорные>NUB 248 MA

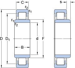
NUB 248 MA — Однорядный цилиндрический роликоподшипник, импортное производство по ISO стандарту, размер 440x240x120 номер основного исполнения .
Производитель: SKF.
MA = Механически обработанный латунный сепаратор, центрируемый по наружному кольцу.
Цена по запросу
Цена на подшипник зависит от:
Габаритные размеры
Размеры и геометрические характеристики
Нагрузка и ресурс
Коэффициенты для расчета
Присоединительные размеры
Прочие характеристики
Подшипник роликовый сферический 22248 CC.W33 (FAG, SKF)
Подшипник роликовый сферический 22248 CCK.W33 (FAG, SKF)
Однорядный цилиндрический роликоподшипник NJ 2248 MA (SKF)