Главная > Подшипники> Шариковые> Упорные>NU 2204 ECP

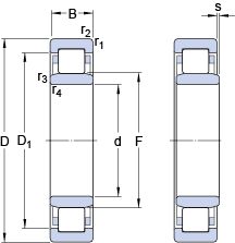
NU 2204 ECP — Однорядный цилиндрический роликовый подшипник, импортное производство по ISO стандарту, размер 47x20x18 номер основного исполнения NU2204.
Производитель: SKF.
Однорядный цилиндрический роликоподшипник. Наружное кольцо подшипника имеет два борта, а внутреннее кольцо бортов не имеет.
ЕС = эксцентриковый фиксатор воротника с утопленным внутренним кольцом на одной стороне.
Цена от:685 р.
Цена на подшипник зависит от:
Габаритные размеры
Размеры и геометрические характеристики
Нагрузка и ресурс
Коэффициенты для расчета
Присоединительные размеры
Прочие характеристики
Подшипник однорядный шариковый радиальный 62204 2RS1 (IBC, SKF)
Однорядный цилиндрический роликовый подшипник NJ 2204 ECP (SKF)