Главная > Подшипники> Шариковые> Упорные>NJ 2204 ECP

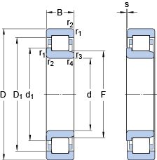
NJ 2204 ECP — Однорядный цилиндрический роликовый подшипник, импортное производство по ISO стандарту, размер 47x20x18 номер основного исполнения NJ2204.
Производитель: SKF.
Однорядный цилиндрический роликоподшипник. Наружное кольцо имеет два борта, наружное — один борт.
ЕС = эксцентриковый фиксатор воротника с утопленным внутренним кольцом на одной стороне.
Цена от:905 р.
Цена на подшипник зависит от:
Габаритные размеры
Размеры и геометрические характеристики
Нагрузка и ресурс
Коэффициенты для расчета
Присоединительные размеры
Прочие характеристики
Подшипник однорядный шариковый радиальный 62204 2RS1 (IBC, SKF)
Однорядный цилиндрический роликовый подшипник NU 2204 ECP (SKF)