Главная > Подшипники> Роликовые > Радиальные>NP 344

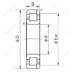
NP 344 — Цилиндрический роликоподшипник, импортное производство по ISO стандарту, размер 220x460x88 номер основного исполнения NP344.
Производится брендами: ISO, NACHI.
Цена по запросу
Цена на подшипник зависит от:
| Обозначение | Модификация |
|---|---|
| NP344 E | Е = Увеличенная грузоподъемность. |
Габаритные размеры
Размеры и геометрические характеристики
Нагрузка и ресурс
Защита
Присоединительные размеры
Конструкция и исполнение
Подшипник шариковый радиально-упорный QJ344 (CX, FAG, ISO)
Однорядный цилиндрический роликовый подшипник NU344 (FAG, ISB, ISO, KOYO, NACHI)
Подшипник шариковый с четырехточечным контактом QJ344 N2.MPA (FAG)
Однорядный цилиндрический роликовый подшипник NU344 E.M1 (FAG)
Однорядный цилиндрический роликовый подшипник NU344 E.M1.C3 (FAG)
Подшипник роликовый радиальный с короткими цилиндрическими роликами без бортов на наружном кольце 2344