Главная > Подшипники> Роликовые > Радиальные>NP 1060

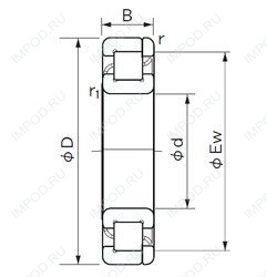
NP 1060 — Цилиндрический роликоподшипник, импортное производство по ISO стандарту, размер 300x460x74 номер основного исполнения NP1060.
Производитель: NACHI.
Цена по запросу
Цена на подшипник зависит от:
Габаритные размеры
Размеры и геометрические характеристики
Нагрузка и ресурс
Защита
Присоединительные размеры
Конструкция и исполнение
Однорядный цилиндрический роликовый подшипник NU1060 (CX, FAG, ISB, ISO, KOYO)
Подшипник шариковый радиальный 6060 (CX, FAG, ISO, KOYO, NACHI)
Подшипник роликовый радиальный с короткими цилиндрическими роликами без бортов на внутреннем кольце 32160
Однорядный цилиндрический роликовый подшипник NU1060 M1 (FAG)
Однорядный цилиндрический роликовый подшипник NU1060 MA.C3 (FAG)
Подшипник однорядный шариковый радиальный 6060 M.C3 (FAG)