Главная > Подшипники> Роликовые > Радиальные>NP 1030

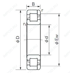
NP 1030 — Цилиндрический роликоподшипник, импортное производство по ISO стандарту, размер 150x225x35 номер основного исполнения NP1030.
Производитель: NACHI.
Цена по запросу
Цена на подшипник зависит от:
Габаритные размеры
Размеры и геометрические характеристики
Нагрузка и ресурс
Защита
Присоединительные размеры
Конструкция и исполнение
Однорядный цилиндрический роликовый подшипник NU1030 (CX, CYSD, FAG, ISB, ISO)
Подшипник однорядный шариковый радиальный 6030 (CX, CYSD, FAG, ISB, ISO)
Подшипник шариковый однорядный радиально-упорный 7030 (CYSD, KOYO, NACHI, NTN, SKF)
Однорядный цилиндрический роликовый подшипник NU1030 M1 (FAG)
Однорядный цилиндрический роликовый подшипник NU1030 M1.C3 (FAG)
Однорядный цилиндрический роликовый подшипник NU1030 ML.C3 (FAG)