Главная > Подшипники> Роликовые > Радиальные>NP 1014

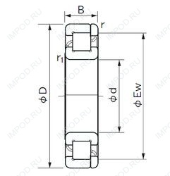
NP 1014 — Цилиндрический роликоподшипник, импортное производство по ISO стандарту, размер 70x110x20 номер основного исполнения NP1014.
Производитель: NACHI.
Цена по запросу
Цена на подшипник зависит от:
Габаритные размеры
Размеры и геометрические характеристики
Нагрузка и ресурс
Защита
Присоединительные размеры
Конструкция и исполнение
Подшипник шариковый однорядный радиально-упорный B7014 (FAG)
Однорядный цилиндрический роликовый подшипник NU1014 (CX, CYSD, FAG, FBJ, ISB)
Подшипник однорядный шариковый радиальный 6014 (CRAFT, IBC, NIS, SKF)
Подшипник шариковый однорядный радиально-упорный 7014 (CYSD, KOYO, NACHI, NTN, SKF)
Подшипник шариковый радиальный однорядный 114
Подшипник шариковый радиальный 8114 (ГПЗ-3)