Главная > Цилиндрические>NNF5015 2LS.V

NNF5015 2LS.V — Подшипник роликовый цилиндрический двухрядный, импортное производство по ISO стандарту, размер 75x106x54 номер основного исполнения NNF5015.
Производитель: NKE.
2LS = (сегментное уплотнение, код 2L) = Контактное уплотнение LS с обеих сторон подшипника.
Цена от:3 615 р.
Цена на подшипник зависит от:
| Обозначение | Модификация |
|---|---|
| NNF5015 | Основное конструктивное исполнение. |
| NNF5015 V | V = Увеличенная грузоподъемность, внутренняя модификация конструкции. |
| NNF5015 PP | P = Литой сепаратор из стеклонаполненного полиамида 6,6, центрируемый по телам качения. |
| NNF5015ADB-2LSV | 2LS = (сегментное уплотнение, код 2L) = Контактное уплотнение LS с обеих сторон подшипника. |
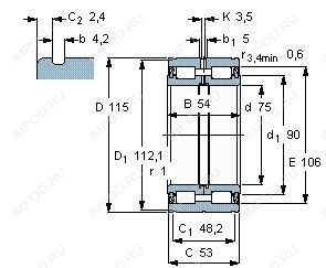
Габаритные размеры
Размеры и геометрические характеристики
Нагрузка и ресурс
Защита
Присоединительные размеры
Конструкция и исполнение
Другие размеры