Главная > Цилиндрические>NNCF4918 V

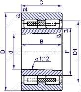
NNCF4918 V — Подшипник роликовый цилиндрический двухрядный, импортное производство по ISO стандарту, размер 90x115x35 номер основного исполнения NNCF4918.
Производитель: NKE.
Механически обработанный сепаратор из стали или чугуна, центрируемый по телам качения.
Цена от:3 859 р.
Цена на подшипник зависит от:
| Обозначение | Модификация |
|---|---|
| NNCF4918 | Основное конструктивное исполнение. |
| NNCF4918CV | С = Необслуживаемые концы стержней, внутренняя резьба. |
Габаритные размеры
Размеры и геометрические характеристики
Нагрузка и ресурс
Защита
Присоединительные размеры
Конструкция и исполнение