Главная > Подшипники> Роликовые > Радиальные>NJ334-E-MPA+HJ334-E

NJ334-E-MPA+HJ334-E — Цилиндрический роликоподшипник, импортное производство по ISO стандарту номер основного исполнения NJ334.
Производитель: NKE.
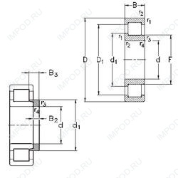
Однорядный цилиндрический роликоподшипник. Наружное кольцо имеет два борта, наружное — один борт.
MPA = Механически обработанный латунный сепаратор.
Цена от:51 032 р.
Цена на подшипник зависит от:
| Обозначение | Модификация |
|---|---|
| NJ 334 | Однорядный цилиндрический роликоподшипник. Наружное кольцо имеет два борта, наружное — один борт. |
| NJ334EM | Однорядный цилиндрический роликоподшипник. Наружное кольцо имеет два борта, наружное — один борт. E = Увеличенная грузоподъемность. М = Механически обработанный латунный сепаратор, центрируемый по роликам. |
| NJ334 E | Однорядный цилиндрический роликоподшипник. Наружное кольцо имеет два борта, наружное — один борт. Е = Увеличенная грузоподъемность. |
| NJ334-E-M1 | Однорядный цилиндрический роликоподшипник. Наружное кольцо имеет два борта, наружное — один борт. E = Увеличенная грузоподъемность. М = Механически обработанный латунный сепаратор, центрируемый по роликам. |
| NJ334-E-M6 | Однорядный цилиндрический роликоподшипник. Наружное кольцо имеет два борта, наружное — один борт. E = Увеличенная грузоподъемность. М = Механически обработанный латунный сепаратор, центрируемый по роликам. |
| NJ334-E-MPA | Однорядный цилиндрический роликоподшипник. Наружное кольцо имеет два борта, наружное — один борт. MPA = Механически обработанный латунный сепаратор. |
| NJ334-E-MA6 | Однорядный цилиндрический роликоподшипник. Наружное кольцо имеет два борта, наружное — один борт. E = d ≤65 мм,два стальных сепаратора оконного типа, внутреннее кольцо без фланца и направляющая по центру внутреннего кольца. MA = массивный латунный сепаратор, центрирование по наружному кольцу. |
| NJ334-E-TB-M1 | Однорядный цилиндрический роликоподшипник. Наружное кольцо имеет два борта, наружное — один борт. B = 40 градусов угол контакта. M = обработанный латунный сепаратор, расположенныйна элементах качения. |
| NJ334-E-M1+HJ334-E | Однорядный цилиндрический роликоподшипник. Наружное кольцо имеет два борта, наружное — один борт. E = Увеличенная грузоподъемность. М = Механически обработанный латунный сепаратор, центрируемый по роликам. |
| NJ334-E-M6+HJ334-E | Однорядный цилиндрический роликоподшипник. Наружное кольцо имеет два борта, наружное — один борт. E = Увеличенная грузоподъемность. М = Механически обработанный латунный сепаратор, центрируемый по роликам. |
| NJ334-E-MA6+HJ334-E | Однорядный цилиндрический роликоподшипник. Наружное кольцо имеет два борта, наружное — один борт. E = d ≤65 мм,два стальных сепаратора оконного типа, внутреннее кольцо без фланца и направляющая по центру внутреннего кольца. MA = массивный латунный сепаратор, центрирование по наружному кольцу. |
Габаритные размеры
Нагрузка и ресурс
Цилиндрический роликоподшипник NJ3334 (CX, ISO)
Цилиндрический роликоподшипник NJG2334VH (SKF)
Цилиндрический роликоподшипник NP2334 (CX, ISO)
Цилиндрический роликоподшипник NP334 E (CX)
Однорядный цилиндрический роликовый подшипник NU334EM (AST, NSK)
Цилиндрический роликоподшипник NU3334 (CX, ISO, KOYO)