Главная > Подшипники> Роликовые > Радиальные>NJ 352

NJ 352 — Цилиндрический роликоподшипник, импортное производство по ISO стандарту номер основного исполнения NJ352.
Производится брендами: ISO, NACHI, NSK, NTN.
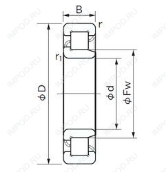
Однорядный цилиндрический роликоподшипник. Наружное кольцо имеет два борта, наружное — один борт.
Цена по запросу
Цена на подшипник зависит от:
| Обозначение | Модификация |
|---|---|
| NJ352 E | Однорядный цилиндрический роликоподшипник. Наружное кольцо имеет два борта, наружное — один борт. Е = Увеличенная грузоподъемность. |
Габаритные размеры
Размеры и геометрические характеристики
Нагрузка и ресурс
Подшипник роликовый упорный 889752АХ
Подшипник роликовый упорный 889752Х1
Цилиндрический роликоподшипник NJ3352 (CX, ISO)
Цилиндрический роликоподшипник NP2352 (CX, ISO)
Цилиндрический роликоподшипник NP3352 (CX, ISO)