Главная > Подшипники> Шариковые> Упорные>NJ 344 M

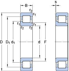
NJ 344 M — Однорядный цилиндрический роликоподшипник, импортное производство по ISO стандарту, размер 460x220x88 номер основного исполнения NJ344.
Производитель: SKF.
Однорядный цилиндрический роликоподшипник. Наружное кольцо имеет два борта, наружное — один борт.
M = массивный латунный сепаратор.
Цена от:182 561 р.
Цена на подшипник зависит от:
Габаритные размеры
Размеры и геометрические характеристики
Нагрузка и ресурс
Коэффициенты для расчета
Присоединительные размеры
Прочие характеристики
Однорядный цилиндрический роликовый подшипник NU344 M (AST, SKF)
ШарикоПодшипник с четырёхточечным контактом QJ 344 N2MA (SKF)